Toplotna črpalka Bosch Compress 5800 ORMB z vgrajenim 70 l HRANILNIKOM ?????
Predstavljamo vam energetsko varčno in najtišjo Boschevo toplotno črpalko do sedaj. Ogrevanje, hlajenje ter priprava topORMB ima v notranji enoti vgrajen 70 l hranilnik.
Preberi večPošlji povpraševanje
Pošljite brezplačno povpraševanje in pridobite dodatne informacije o izdelku
Pomoč pri nakupu
Če potrebujete pomoč pri nakupu ali imate vprašanje v zvezi z izdelki, nas lahko pokličete ali se obrnete na naše partnerje.
- izredno visoka energetska učinkovitost toplotne črpalke Bosch Compress 5800 (COP A10/W35- 4,8), sezonski izkoristek SCOP do 186%
- napredna tehnologija: za optimizirano delovanje za največjo zmogljivost tudi pri nizkih temperaturah
- fleksibilna uporaba: primerna za ogrevanje, hlajenje in pripravo sanitarne vode
- izjemno tiho delovanje: najtišja Boscheva toplotna črpalka do sedaj. Idealna za stanovanjska območja
- enostavna integracija: možnost povezave s sistemi za obnovljive vire energije, kot je npr. sončna elektrarna
- zanesljivost: Bosch kakovost zagotavlja dolgo življenjsko dobo in minimalno potrebo po vzdrževanju
- pametno upravljanje: integrirana možnost daljinskega upravljanja preko aplikacij za popolno udobje vedno in povsod
- ob nakupu imate zagotovljen brezplačen zagon (brez elektro kabliranja)
- do 5 let garancije na pakete Bosch; pogoje za garancijo si lahko preberete na povezavi: podaljšana garancija
Kvaliteta brez primere za največje udobje in prihranke
Toplotna črpalka Bosch Compress 5800i AW je sodobna rešitev za ogrevanje in pripravo tople vode, ki združuje energetsko učinkovitost, tiho delovanje in prilagodljivost. Uvršča se v najvišji energijski razred A+++ za nizkotemperaturno ogrevanje, kar uporabniku prinaša občutne prihranke pri stroških energije.
Zasnovana je za delovanje v ekstremnih vremenskih razmerah, z delovno temperaturo od -23 °C do +45 °C, zaradi česar je idealna za vse letne čase. Zmogljiva tehnologija omogoča doseganje temperature vode do 75 °C, kar pomeni, da je primerna tako za talno ogrevanje kot za radiatorje. Poleg tega uporablja okolju prijazno hladilno sredstvo R290 z nizkim vplivom na podnebje.
Skoraj neslišna
Njeno delovanje je izjemno tiho. Največji model (AW12) tekom dneva dosega max. 60dB(A), ponoči pa le 52dB(A). Na razdalji 1 m je povprečna raven hrupa okoli 30dB(A), zaradi česar je idealna za namestitev v stanovanjskih prostorih. Kompaktna oblika in integrirana hidravlika omogoča enostavno vgradnjo, medtem ko funkcija daljinskega upravljanja prek aplikacij zagotavlja dodatno udobje in enostavnost uporabe.
Bosch toplotna črpalka Compress 5800 AWMB zrak / voda, z vgrajenim 9 kW elektro grelcem ter z integriranim 70 l hranilnikom
- tip: Bosch toplotna črpalka zrak/voda Compress 5800 AWMB
- nazivne moči toplotne črpalke AWE: 4 kW, 5 kW, 7 kW, 10 kW, 12 kW
- dobavljiva v kombinaciji bele in srebrne barve
- energijski razred toplotne črpalke: A+++ (uporaba pri nizkih temperaturah)
- toplotna črpalka Compress 5800 AWM je sestavljena iz zunanje enote (oznaka Compress 5800 AW) in notranje enote (oznaka AWM)
- toplotna črpalka ustreza za ogrevanje enostanovanjske in manjše večstanovanjske hiše, tako za novogradnje kot za prenovo obstoječih objektov
- ima vgrajen 70 l hranilnik
- deluje monovalentno, saj toploto za ogrevanje proizvaja sama. V primeru, kadar iz zraka ni dovolj energije, po potrebi vklopi elektro grelec, ki je vgrajen v notranji enoti. Elektro grelec se vklaplja postopoma
- preprosto upravljanje je omogočeno preko integriranega krmilnega vmesnika UI 800 z barvnim zaslonom ali preko inovativne aplikacije HomeCom Easy. Kot dodatek je možno dograditi sistem s Boschevim sobnim upravljalnikom
- toplotna črpalka je reverzibilna- primerna tako za ogrevanje kot hlajenje
- toplotna črpalka je primerna tako za radiatorsko kot talno ogrevanje
- toplotna črpalka AWM je izredno energetsko učinkovita, izkoristek znaša: COP do 4,8 (pri A 7°C/W35°C - A+++)
- vodo ogreje do do 60°C in ohrani odlično mero učinkovitosti, brez dodatnega vklopa elektro grelca
- toplotna črpalka deluje modulirano (inverterska tehnologija) in se nenehno prilagaja potrebam vašega ogrevalnega sistema. Prednosti modulacije so: manjše število vklopov, izogibanje konicam zagonskih tokov, daljša življenjska doba kompresorja …)
- toplotna črpalka deluje do -23°C, v primeru kadar temperature padejo še nižje se vklopi elektro grelec
- ena izmed najtišjih na trgu (na razdalji 3m je raven zvočnega tlaka 28,5dB(A), to ji omogoča kompaktna oblika, precizno narejena notranja struktura in difuzor zvoka
- kadar imate prostorsko stisko so majhne dimenzije toplotne črpalke prava rešitev za vaš dom
Kaj je dobro vedeti pri postavitvi zunanje enote toplotne črpalke?
- toplotna črpalka mora biti postavljena na ravno in stabilno površino (višina podstavka cca. 15cm od tal, npr. betonski podstavek)
- toplotno črpalko je potrebno zasidrati tako, da se ne more prevrniti.
- toplotne črpalke ne postavljajte blizu prostorov, ki so občutljivi na hrup (npr. spalnica).
- toplotne črpalke ne postavljajte na mesto, ki je s treh strani obdano s steno.
- toplotno črpalko postavite tako, da je zagotovljen zadosten pretok zraka skozi uparjalnik.
- toplotna črpalka mora stati tako, da ne pride do cirkulacije hladnega zraka.
- toplotne črpalke ne postavljajte v isti smeri, kot najpogosteje piha veter, saj veter vpliva na obrate ventilatorja.
- kondenzat je potrebno speljati v pred zmrzaljo zaščiten odtok. Odtok mora imeti zadosten padec, da v cevi ne ostaja stoječa voda.
- toplotno črpalko postavite tako, da nanjo ne pada ali kaplja sneg ali dež s strehe. Če se snegu in dežju ni moč izogniti, je potrebno namestiti zaščitno streho.
- pri postavitvi toplotne črpalke bodite pozorni na minimalne odmike od zidov, teras itd…(glejte sliko spodaj)
Minimalni odmiki za postavitev zunanje enote Compress 5800 AW:
Zunanja enota toplotne črpalke AW:

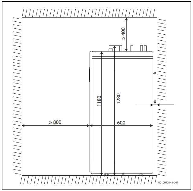
Minimalni odmiki notranje enote AWMB:
Idealni položaj notranje enote je na zunanji ali srednji steni. Hranilnik tople sanitarne vode lahko stoji levo ali desno poleg notranje enote. Enkratna dolžina cevovodov med notranjo enoto in hranilnikom je lahko največ 15 m.


Prikaz montaže toplotne črpalke
Toplotna črpalka AW OR povezana z notranjo enoto Compress 5800i 12 M, omogoča popolno instalacijo tako za ogrevanje kot tudi za toplo sanitarno vodo, saj notranja enota vsebuje bojler. Preklapljanje med ogrevanjem in toplo sanitarno vodo se upravlja z notranjim 3-potnim ventilom. Vgrajeni dodatni grelnik v notranji enoti se bo po potrebi vklopil.

Regulacija toplotne črpalke Compress 5800 AWMB
Vgrajen krmilni vmesnik UI 800 z barvnim zaslonom vas z enostavnim besedilom vodi po logično oblikovanem meniju, v katerem se boste z lahkoto znašli. Tako ne boste več zapravljali nepotrebnega časa za listanje po uporabniškem priročniku.
Funkcije in značilnosti:
- regulacija v odvisnosti od zunanje temperature
- regulacija do 4 ogrevalnih / hladilnih krogov (krmiljenje enega direktnega ogrevalnega kroga in priprave sanitarne vode je v osnovni regulaciji), za 2-4 ogrevalne / hladilne kroge so moduli doplačilo
- v regulatorju lahko shranite svoje najpomembnejše nastavitve
- obsežen meni diagnostike
- prikaz kod napak in motenj v delovanju
- regulacija za solarni sistem (moduli so doplačilo)
- časovni programi za ogrevanje ali optimiziran način delovanja
- program za čas počitnic s prikazom datuma
- termična dezinfekcija
- sušenje estrihov sistema talnega ogrevanja
- možnost priključitve sobne enote
- 2-žična BUS-tehnologija
- daljinsko upravljanje preko IP vmesnika Boschhome
Dimenzija zunanje enote (4,5,7):



Dimenzija zunanje enote (10,12):



Tabela z merami in težo zunanjih enot:
| Enota | 4 OR-T | 5 OR-T | 7 OR-T | 10 OR-T | 12 OR-T | |
| Mere (Š X V X G) | mm | 1100x800x540 | 1100x800x540 | 1100x800x540 | 1350x1100x540 | 1350x1100x540 |
| Teža | kg | 143 | 143 | 143 | 212 | 212 |
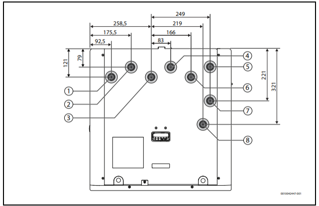
Dimenzija notranje enote:



Tehnični podatki zunanje enote (enote 4, 5, 7):
Enota | 4 OR-S | 5 OR-S | 7 OR-S | |
| Moč v skladu z EN 14511 | ||||
| Maks. toplotna moč pri A -10/W35 | kW | 3,63 | 5,45 | 5,86 |
| Grelno število (COP) pri A -10/W35 | 2,7 | 2,59 | 2,23 | |
| Maks. toplotna moč pri A -7/W35 | kW | 3,92 | 5,42 | 6,71 |
| Grelno število (COP) pri A -7/W35 | 2,89 | 2,51 | 2,36 | |
| Maks. toplotna moč pri A+2/W35 | kW | 4,31 | 6,43 | 7,09 |
| Grelno število (COP) pri A+2/W35 | 3,21 | 2,91 | 2,83 | |
| Območje modulacije pri A+2/W35 | kW | 1,8–4,3 | 1,8–6,4 | 1,8–7,1 |
| Maks. toplotna moč pri A+7/W35 | kW | 4,99 | 6,8 | 7,97 |
| Grelno število (COP) pri A+7/W35 | 3,59 | 3,16 | 3,07 | |
| Nazivna toplotna moč pri A+7/W35 | kW | 2,84 | 2,84 | 2,84 |
| Grelno število (COP) pri A+7/W35, nazivna moč | 4,85 | 4,85 | 4,85 | |
| Nazivna toplotna moč pri A+2/W35 | kW | 2,09 | 2,41 | 2,87 |
| Grelno število (COP) pri A+2/W35, nazivna toplotna moč | 3,94 | 3,92 | 4,06 | |
| Maks. toplotna moč pri A+7/W55 | kW | 4,53 | 6,18 | 7,45 |
| Grelno število (COP) pri A+7/W55 | 2,42 | 2,28 | 2,64 | |
| Letno grelno število (SCOP), povprečne podnebne razmere, W55 | 3,32 | 3,5 | 3,52 | |
| Letno grelno število (SCOP), povprečne podnebne razmere, W35 | 4,58 | 4,65 | 4,58 | |
| Letno grelno število (SCOP), hladnejše podnebne razmere, W55 | 2,76 | 3,17 | 3,01 | |
| Letno grelno število (SCOP), hladnejše podnebne razmere, W35 | 3,93 | 4,25 | 4,13 | |
| Letno grelno število (SCOP), toplejše podnebne razmere, W55 | 3,66 | 4 | 4,09 | |
| Letno grelno število (SCOP), toplejše podnebne razmere, W35 | 5,33 | 5,56 | 5,25 | |
| Maks. hladilna moč pri A35/W7 | kW | 3,03 | 3,67 | 3,88 |
| Hladilno število (EER) pri A35/W7 | 2,56 | 2,49 | 2,44 | |
| Maks. hladilna moč pri A35/W18 | kW | 4,36 | 5,25 | 5,5 |
| Hladilno število (EER) pri A35/W18 | 3,37 | 3,2 | 3,11 | |
| Nazivna hladilna moč pri A35/W18 | kW | 2,93 | 3,47 | 3,82 |
| Hladilno število (EER) pri A35/W18, nazivna moč | 3,74 | 3,74 | 3,7 | |
| Električne podrobnosti | ||||
| Električno napajanje | 230 V 1 N AC 50 Hz | 230 V 1 N AC 50 Hz | 230 V 1 N AC 50 Hz | |
| Stopnja zaščite | IPX4D | IPX4D | IPX4D | |
| Velikost varovalke1) | A | 16 | 16 | 16 |
| Maks. vhodna električna moč A+2/W35 | kW | 1,34 | 2,21 | 2,51 |
| Maks. vhodna električna moč A35/W7 | kW | 1,18 | 1,47 | 1,54 |
| Maks. vhodna električna moč A35/W18 | kW | 1,29 | 1,64 | 1,77 |
| Faktor moči cos phi pri maksimalni moči | >0,99 | >0,99 | >0,99 | |
| Maks. število zagonov kompresorja | 1/h | 6 | 6 | 6 |
| Maks. tok | A | 7,5 | 12 | 13,1 |
| Zagonski tok | A | 7,5 | 12 | 13,1 |
| Maks. pretok zraka | m³/h | 1160 | 1320 | 1670 |
| Nazivni pretok zraka | m³/h | 1160 | 1320 | 1670 |
| Raven zvočnega tlaka na razdalji 1 m3) | dB(A) | 32 | 34 | 34 |
| Zvočna moč (ErP)4) | dB(A) | 40 | 42 | 42 |
| Maks. jakost zvoka – podnevi | dB(A) | 51,2 | 53 | 57,7 |
| Maks. zvočna moč - Tiho obratovanje 1, A7/W55 | dB(A) | 46 | 50 | 50 |
| Grelno število (COP) – Tiho obratovanje 1, A-7/W35 | 3,02 | 2,64 | 2,62 | |
| Toplotna moč – Tiho obratovanje 1, A-7/W35 | kW | 2,61 | 4,2 | 4,4 |
| Maks. zvočna moč - Tiho obratovanje 2, A7/W55 | dB(A) | 43 | 48 | 48 |
| Grelno število (COP) – Tiho obratovanje 2, A-7/W35 | 2,92 | 2,66 | 2,7 | |
| Toplotna moč – Tiho obratovanje 2, A-7/W35 | kW | 2,34 | 3,53 | 3,83 |
| Maks. zvočna moč - Tiho obratovanje 3, A7/W55 | dB(A) | 43 | 46 | 46 |
| Grelno število (COP) – Tiho obratovanje 3, A-7/W35 | 2,97 | 3,06 | 3,12 | |
| Toplotna moč – Tiho obratovanje 3, A-7/W35 | kW | 2,2 | 3,22 | 3,39 |
| Maks. zvočna moč - Tiho obratovanje 4, A7/W55 | dB(A) | 40,5 | 41,6 | 43,8 |
| Grelno število (COP) – Tiho obratovanje 4, A-7/W35 | 2,89 | 2,91 | 3,15 | |
| Toplotna moč – Tiho obratovanje 4, A-7/W35 | kW | 1,98 | 2,32 | 2,64 |
| Splošne podrobnosti | ||||
| Hladilo | R290 | R290 | R290 | |
| Polnitev hladilnega sredstva | kg | 0,95 | 0,95 | 0,95 |
| CO2(e) | ton | 0,003 | 0,003 | 0,003 |
| Maks. temperatura predtoka, samo toplotna črpalka | °C | 75 | 75 | 75 |
| Nadmorska višina namestitve | m | Do 2000 m nadmorske višine | ||
| Mere (Š ×V× G) | mm | 1100x800x540 | 1100x800x540 | 1100x800x540 |
| Teža | kg | 143 | 143 | 143 |
Tehnični podatki zunanje enote (enote 10, 12):
| Enota | 10 OR-T | 12 OR-T | |
| Moč v skladu z EN 14511 | |||
| Maks. toplotna moč pri A -10/W35 | kW | 9,99 | 11,82 |
| Grelno število (COP) pri A -10/W35 | 2,72 | 2,46 | |
| Maks. toplotna moč pri A -7/W35 | kW | 9,57 | 11,56 |
| Grelno število (COP) pri A -7/W35 | 2,47 | 2,43 | |
| Maks. toplotna moč pri A+2/W35 | kW | 11,66 | 12,61 |
| Grelno število (COP) pri A+2/W35 | 2,84 | 2,64 | |
| Območje modulacije pri A+2/W35 | kW | 2,1–11,7 | 2,1–12,6 |
| Maks. toplotna moč pri A+7/W35 | kW | 12,67 | 12,9 |
| Grelno število (COP) pri A+7/W35 | 3 | 2,71 | |
| Nazivna toplotna moč pri A+7/W35 | kW | 5,58 | 5,58 |
| Grelno število (COP) pri A+7/W35, nazivna moč | 4,84 | 4,84 | |
| Nazivna toplotna moč pri A+2/W35 | kW | 4,59 | 4,59 |
| Grelno število (COP) pri A+2/W35, nazivna toplotna moč | 4,48 | 4,48 | |
| Maks. toplotna moč pri A+7/W55 | kW | 12,07 | 12,84 |
| Grelno število (COP) pri A+7/W55 | 2,26 | 2,21 | |
| Letno grelno število (SCOP), povprečne podnebne razmere, W55 | 3,64 | 3,51 | |
| Letno grelno število (SCOP), povprečne podnebne razmere, W35 | 4,77 | 4,66 | |
| Letno grelno število (SCOP), hladnejše podnebne razmere, W55 | 3,33 | 3,27 | |
| Letno grelno število (SCOP), hladnejše podnebne razmere, W35 | 4,36 | 4,24 | |
| Letno grelno število (SCOP), toplejše podnebne razmere, W55 | 4,34 | 4,32 | |
| Letno grelno število (SCOP), toplejše podnebne razmere, W35 | 6,18 | 5,95 | |
| Maks. hladilna moč pri A35/W7 | kW | 6,7 | 7,59 |
| Hladilno število (EER) pri A35/W7 | 2,39 | 2,3 | |
| Maks. hladilna moč pri A35/W18 | kW | 8,9 | 9,56 |
| Hladilno število (EER) pri A35/W18 | 2,88 | 2,63 | |
| Nazivna hladilna moč pri A35/W18 | kW | 5,4 | 6,16 |
| Hladilno število (EER) pri A35/W18, nazivna moč | 3,88 | 3,79 | |
| Električne podrobnosti | |||
| Električno napajanje | 400 V 3 N AC 50 Hz | 400 V 3 N AC 50 Hz | |
| Stopnja zaščite | IPX4D | IPX4D | |
| Velikost varovalke1) | A | 3x16 | 3x16 |
| Maks. vhodna električna moč A+2/W35 | kW | ||
| Maks. vhodna električna moč A35/W7 | kW | 2,8 | 3,3 |
| Maks. vhodna električna moč A35/W18 | kW | 3,09 | 3,63 |
| Faktor moči cos phi pri maksimalni moči | >0,87 | >0,87 | |
| Maks. število zagonov kompresorja | 1/h | 6 | 6 |
| Maks. tok | A | 13 | 13 |
| Zagonski tok | A | 13 | 13 |
| Pretok zraka in hrup2) | |||
| Maks. pretok zraka | m³/h | 1720 | 1880 |
| Nazivni pretok zraka | m³/h | 1720 | 1880 |
| Raven zvočnega tlaka na razdalji 1 m3) | dB(A) | 34 | 40 |
| Zvočna moč (ErP)4) | dB(A) | 42 | 45 |
| Maks. jakost zvoka – podnevi | dB(A) | 58 | 60 |
| Maks. zvočna moč - Tiho obratovanje 1, A7/W55 | dB(A) | 52 | 55 |
| Grelno število (COP) - tihi način 1, A-7/W35 | 3,23 | 2,69 | |
| Toplotna moč – Tiho obratovanje 1, A-7/W35 | kW | 7,06 | 9,03 |
| Maks. zvočna moč - Tiho obratovanje 2, A7/W55 | dB(A) | 48 | 52 |
| Grelno število (COP) – Tiho obratovanje 2, A-7/W35 | 3,31 | 3,23 | |
| Toplotna moč – Tiho obratovanje 2, A-7/W35 | kW | 6,17 | 7,06 |
| Maks. zvočna moč - Tiho obratovanje 3, A7/W55 | dB(A) | 49 | 52 |
| Grelno število (COP) – Tiho obratovanje 3, A-7/W35 | 3,18 | 3,31 | |
| Toplotna moč – Tiho obratovanje 3, A-7/W35 | kW | 5,29 | 6,17 |
| Maks. zvočna moč - Tiho obratovanje 4, A7/W55 | dB(A) | 45 | 46 |
| Grelno število (COP) – Tiho obratovanje 4, A-7/W35 | 3,27 | 3,44 | |
| Toplotna moč – Tiho obratovanje 4, A-7/W35 | kW | 4,09 | 4,9 |
| Dodana glasnost – podnevi5) | dB | 0 | 0 |
| Dodana glasnost - tiho obratovanje35) | dB | 0 | 0 |
| Splošne podrobnosti | |||
| Hladilo6) | R290 | R290 | |
| Polnitev hladilnega sredstva | kg | 1,6 | 1,6 |
| CO2(e) | ton | 0,005 | 0,005 |
| Maks. temperatura predtoka, samo toplotna črpalka | °C | 75 | 75 |
| Nadmorska višina namestitve | Do 2000 m nadmorske višine | ||
| Mere (Š ×V× G) | mm | 1350x1100x540 | 1350x1100x540 |
| Teža | kg | 212 | 212 |
Tehnični podatki notranje enote:
| Enota | CS5800iAW 12 MB | |
| Električni priklop | ||
| Električno napajanje (trifazno/enofazno)1) | V | 400 (3 N ~) 50 Hz / 230 (1 N ~) 50 Hz |
| Električni grelnik/stopnje | kW | 3 / 6 / 92) |
| Ogrevalni sistem | ||
| Priključki | mm | 28 mm |
| Največji dopustni obratovalni tlak | kPa/bar | 300 / 3 |
| Min. obratovalni tlak | kPa/bar | 70 / 0,7 |
| Raztezna posoda | l | 17 |
| Prostornina hranilnika | l | 70,5 |
| Nazivni volumski pretok predtoka (talno ogrevanje) | L/s | 4 OR-S: 0,21 |
| 5 OR-S: 0,29 | ||
| 7 OR-S: 0,34 | ||
| Nazivni volumski pretok predtoka (radiatorsko ogrevanje) | L/s | 4 OR-S: 0,15 |
| 5 OR-S: 0,17 | ||
| 7 OR-S: 0,20 | ||
| Min. volumski pretok predtoka (odtaljevanje) | l/min. | 15 |
| Min./maks. Obratovalna temperatura vode (hlajenje/ ogrevanje) | °C | 18 / 75 |
| Primarna črpalka | Grundfos UPM4L (K) LIN | |
| Obtočna črpalka ogrevanja | Grundfos UPM4L (K) LIN | |
| Splošno | ||
| Priključki za praznjenje | Ø mm | 22 |
| Povezovalni vodi do zunanjega bojlerja | Ø mm | 28 |
| Stopnja zaščite | IP | X1D |
| Maks. višina postavitve | m | 2000 m nad morsko gladino |
| Mere (Š x V x G) | mm | 600 x 1180 x 600 |
| Masa z/brez embalaže | kg | 103 / 90 |
Podrobna raven zvočnega tlaka:
| Podrobna raven zvočnega tlaka (maks.) 4 OR-S | |||||||||||||
| Odmik | m | 1 | 2 | 3 | 4 | 5 | 6 | 8 | 10 | 12 | 14 | 16 | |
| Dan | >3 m1) | dB (A) | 42 | 36 | 33 | 30 | 28 | 26 | 24 | 22 | 20 | 19 | 18 |
| <3 m2) | dB (A) | 45 | 39 | 36 | 33 | 31 | 29 | 27 | 25 | 23 | 22 | 21 | |
| Noč | >3 m1) | dB (A) | 38 | 32 | 29 | 26 | 24 | 22 | 20 | 18 | 16 | 15 | 14 |
| Tihi način 1 | <3 m2) | dB (A) | 41 | 35 | 32 | 29 | 27 | 25 | 23 | 21 | 19 | 18 | 17 |
| Noč | >3 m1) | dB (A) | 35 | 29 | 26 | 23 | 21 | 19 | 17 | 15 | 13 | 12 | 11 |
| Tihi način 2 | <3 m2) | dB (A) | 38 | 32 | 29 | 26 | 24 | 22 | 20 | 18 | 16 | 15 | 14 |
| Noč | >3 m1) | dB (A) | 34 | 28 | 25 | 22 | 20 | 18 | 16 | 14 | 12 | 11 | 10 |
| Tihi način 3 | <3 m2) | dB (A) | 37 | 31 | 28 | 25 | 23 | 21 | 19 | 17 | 15 | 14 | 13 |
| Noč | >3 m1) | dB (A) | 32 | 26 | 23 | 20 | 18 | 16 | 14 | 12 | 10 | 9 | 8 |
| Tihi način 4 | <3 m2) | dB (A) | 35 | 29 | 26 | 23 | 21 | 19 | 17 | 15 | 13 | 12 | 11 |
| Podrobna raven zvočnega tlaka (maks.) 5 OR-S | |||||||||||||
| Odmik | m | 1 | 2 | 3 | 4 | 5 | 6 | 8 | 10 | 12 | 14 | 16 | |
| Dan | >3 m1) | dB (A) | 45 | 39 | 36 | 33 | 31 | 29 | 27 | 25 | 23 | 22 | 21 |
| <3 m | dB (A) | 48 | 42 | 39 | 36 | 34 | 32 | 30 | 28 | 26 | 25 | 24 | |
| Noč | >3 m1) | dB (A) | 42 | 36 | 33 | 30 | 28 | 26 | 24 | 22 | 20 | 19 | 18 |
| Tihi način 1 | <3 m2) | dB (A) | 45 | 39 | 36 | 33 | 31 | 29 | 27 | 25 | 23 | 22 | 21 |
| Noč | >3 m1) | dB (A) | 40 | 34 | 31 | 28 | 26 | 24 | 22 | 20 | 18 | 17 | 16 |
| Tihi način 2 | <3 m2) | dB (A) | 43 | 37 | 34 | 31 | 29 | 27 | 25 | 23 | 21 | 20 | 19 |
| Noč | >3 m | dB (A) | 38 | 32 | 29 | 26 | 24 | 22 | 20 | 18 | 16 | 15 | 14 |
| Tihi način 3 | <3 m | dB (A) | 41 | 35 | 32 | 29 | 27 | 25 | 23 | 21 | 19 | 18 | 17 |
| Noč | >3 m | dB (A) | 34 | 28 | 25 | 22 | 20 | 18 | 16 | 14 | 12 | 11 | 10 |
| Tihi način 4 | <3 m | dB (A) | 37 | 31 | 28 | 25 | 23 | 21 | 19 | 17 | 15 | 14 | 13 |
| Podrobna raven zvočnega tlaka (maks.) 7 OR-S | |||||||||||||
| Odmik | m | 1 | 2 | 3 | 4 | 5 | 6 | 8 | 10 | 12 | 14 | 16 | |
| Dan | >3 m | dB (A) | 50 | 44 | 41 | 38 | 36 | 34 | 32 | 30 | 28 | 27 | 26 |
| <3 m | dB (A) | 53 | 47 | 44 | 41 | 39 | 37 | 35 | 33 | 31 | 30 | 29 | |
| Noč | >3 m | dB (A) | 42 | 36 | 33 | 30 | 28 | 26 | 24 | 22 | 20 | 19 | 18 |
| Tihi način 1 | <3 m | dB (A) | 45 | 39 | 36 | 33 | 31 | 29 | 27 | 25 | 23 | 22 | 21 |
| Noč | >3 m | dB (A) | 40 | 34 | 31 | 28 | 26 | 24 | 22 | 20 | 18 | 17 | 16 |
| Tihi način 2 | <3 m | dB (A) | 43 | 37 | 34 | 31 | 29 | 27 | 25 | 23 | 21 | 20 | 19 |
| Noč | >3 m | dB (A) | 38 | 32 | 29 | 26 | 24 | 22 | 20 | 18 | 16 | 15 | 14 |
| Tihi način 3 | <3 m | dB (A) | 41 | 35 | 32 | 29 | 27 | 25 | 23 | 21 | 19 | 18 | 17 |
| Noč | >3 m | dB (A) | 36 | 30 | 27 | 24 | 22 | 20 | 18 | 16 | 14 | 13 | 12 |
| Tihi način 4 | <3 m | dB (A) | 39 | 33 | 30 | 27 | 25 | 23 | 21 | 19 | 17 | 16 | 15 |
| Podrobna raven zvočnega tlaka (maks.) 10 OR-T | |||||||||||||
| Odmik | m | 1 | 2 | 3 | 4 | 5 | 6 | 8 | 10 | 12 | 14 | 16 | |
| Dan | >3 m1) | dB (A) | 50 | 44 | 41 | 38 | 36 | 35 | 32 | 30 | 29 | 27 | 26 |
| <3 m2) | dB (A) | 53 | 47 | 44 | 41 | 39 | 38 | 35 | 33 | 32 | 30 | 29 | |
| Noč | >3 m1) | dB (A) | 44 | 38 | 34 | 32 | 30 | 28 | 26 | 24 | 22 | 21 | 20 |
| Tihi način 1 | <3 m2) | dB (A) | 47 | 41 | 37 | 35 | 33 | 31 | 29 | 27 | 25 | 24 | 23 |
| Noč | >3 m1) | dB (A) | 40 | 34 | 31 | 28 | 26 | 25 | 22 | 20 | 19 | 17 | 16 |
| Tihi način 2 | <3 m2) | dB (A) | 43 | 37 | 34 | 31 | 29 | 28 | 25 | 23 | 22 | 21 | 19 |
| Noč | >3 m1) | dB (A) | 41 | 35 | 31 | 29 | 27 | 25 | 23 | 21 | 19 | 18 | 17 |
| Tihi način 3 | <3 m2) | dB (A) | 44 | 38 | 34 | 32 | 30 | 28 | 26 | 24 | 22 | 21 | 20 |
| Noč | >3 m1) | dB (A) | 37 | 31 | 28 | 25 | 23 | 22 | 19 | 17 | 16 | 14 | 13 |
| Tihi način 4 | <3 m2) | dB (A) | 40 | 34 | 31 | 28 | 26 | 25 | 22 | 20 | 19 | 18 | 16 |
| Podrobna raven zvočnega tlaka (maks.) 12 OR-T | |||||||||||||
| Odmik | m | 1 | 2 | 3 | 4 | 5 | 6 | 8 | 10 | 12 | 14 | 16 | |
| Dan | >3 m1) | dB (A) | 52 | 46 | 42 | 40 | 38 | 36 | 34 | 32 | 30 | 29 | 28 |
| <3 m2) | dB (A) | 55 | 49 | 45 | 43 | 41 | 40 | 37 | 35 | 33 | 32 | 31 | |
| Noč | >3 m1) | dB (A) | 47 | 41 | 38 | 35 | 33 | 31 | 29 | 27 | 26 | 24 | 23 |
| Tihi način 1 | <3 m2) | dB (A) | 50 | 44 | 41 | 38 | 36 | 35 | 32 | 30 | 29 | 27 | 26 |
| Noč | >3 m1) | dB (A) | 44 | 38 | 34 | 32 | 30 | 28 | 26 | 24 | 22 | 21 | 20 |
| Tihi način 2 | <3 m2) | dB (A) | 47 | 41 | 37 | 35 | 33 | 31 | 29 | 27 | 25 | 24 | 23 |
| Noč | >3 m1) | dB (A) | 44 | 38 | 35 | 32 | 30 | 29 | 26 | 24 | 23 | 21 | 20 |
| Tihi način 3 | <3 m2) | dB (A) | 47 | 41 | 38 | 35 | 33 | 32 | 29 | 27 | 26 | 25 | 23 |
| Noč | >3 m1) | dB (A) | 38 | 32 | 29 | 26 | 24 | 22 | 20 | 18 | 16 | 15 | 14 |
| Tihi način 4 | <3 m2) | dB (A) | 41 | 35 | 32 | 29 | 27 | 25 | 23 | 21 | 19 | 18 | 17 |
Pomoč pri nakupu
Če potrebujete pomoč pri nakupu ali imate vprašanje v zvezi z izdelki, nas lahko pokličete ali se obrnete na naše partnerje.
Za prijavo na e-novice v spodnji obrazec vpišite vaše ime in e-naslov.
Kontakt
- Telefon: +386 3 42 78 132, +386 3 42 88 604
- Fax: 03 42 88 622, 03 42 88 623
- E-Mail: buderus-bosch@kovintrade.si
Naslov
KOVINTRADE d.d. Celje
3001 Celje, P.P. 1040
Mariborska Cesta 7, Slovenija